狗子28电力高级机电工程师解答:模块化UPS电源架构
文章出处:tantucamp.com 信息来源:四川狗子28电力官网 作者:UPS电源厂家 时间:2019年09月24日 浏览量: 【字体:大 中 小】
模块化UPS电源系统结构极具弹性,功率模块的设计概念是在系统运行是可随意移除和安装而不影响系统的运行及输出,是投资规划实现“随需扩张”让用户随业务发展实现“动态成长”既满足了后期设备的随需扩展,降低了初期购置成本。

本期,狗子28电力高级机电工程师带领大家详细了解《模块化UPS电源架构》。
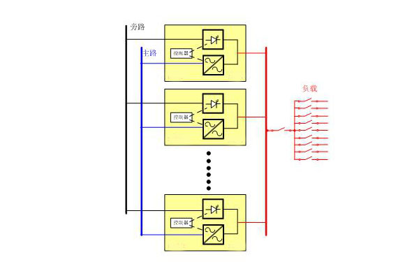
1、分散旁路架构
分散旁路架构,每隔功率模块含有整流、逆变和电池变换等部分以外,还含有与功率模块容量相等的静态旁路,可以认为是一台没有液晶监控的UPS电源。多个模块在机柜中并联组成系统,模块间相互关系类似于传统UPS电源。系统切换到旁路供电时,负载由所有功率模块内的分散旁路来并联供电。

分散旁路架构图
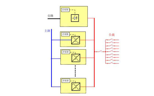
2、集中旁路架构
集中旁路架构,系统只有一个与系统容量相等的集中旁路模块,功率模块内仅包含整流、逆变和电池变换电路,每个部分均有独立的控制器,模块间的并联不再是传统的UPS电源并机系统,而是包含复杂的逆变均流,旁路控制和监控等逻辑。

集中旁路架构图
3、分散控制逻辑模式与集中控制逻辑模式对比
分散式架构的模块化采用分散控制逻辑模式,系统中每个模块都含有一个完整独立的控制单元,系统的主控模块会通过一定的逻辑规则从系统内所有模块中选出,其余模块作为从控模块听从主控模块调度。当UPS电源系统中的一个模块出现故障时,其余模块仍正常工作;当主控模块出现故障时,可通过一定的竞争规则来使得另一个模块作为主控模块,保障系统继续正常工作。
优点
每个控制单元都可以完成对系统独立控制的工作,故不存在这方面的单点故障点。
缺点
因为主控模块既要处理本身的信号,又要协调各模块之间的信号,所以控制逻辑比较复杂,软件逻辑可靠性不高。其次各主控模块故障后,会在剩余模块中竞争产生一个模块作为主控模块,该过程中也容易发生竞争失败导致系统故障。

图:BKH-M2模块化UPS电源
集中式架构的功率模块内整流、逆变的控制是分布的,而均流逻辑等控制则是集中控制模式,即采用独立集中的控制模块来检测市电的频率和相位,然后向每个模块发出同步信号,各个功率模块接受到此同步信号后通过自身的控制环输出相应频率相位的正弦波。
当市电丢失时,集中控制模块会自激产生同步信号发送给各个UPS电源模块来保证各单元的输出同频同相。同时在均流的控制实现形式方面,集中式架构的模块化UPS电源依靠控制模块来检测整个系统的负载电流,然后除以系统模块数量来作为各个UPS电源模块的均流参考值,进而与各模块输出电流比较后求出偏差值来不断调整各模块的输出电流,以保证系统内模块间良好的均流度。
优点
采用独立的均流与逻辑控制单元,均流度更好,且控制逻辑层级清晰,各功率模块之间不存在竞争关系,软件逻辑可靠性较高。为了保证集中控制单元的可靠性,避免单点故障,一般采用该架构的UPS电源控制单元及通讯线路均会做1+1备份。1+1热备份是最常用的备份方式,其可靠性在各类系统长期运行实践中已得到验证。
关于四川狗子28电力
作为中大功率EPS应急电源及UPS电源生产厂家航天狗子28
四川营销服务中心,四川狗子28电力专注为各领域用户提供优质的产品、解决方案以及专业的服务,先后获得过中国铁塔、西成高铁、云南晋红高速、云南小磨高速、成都银泰中心、华西医院、西华大学、成都电子科大、中国电子科技集团公司第十研究所、民航二所、阿里机场、成都地铁一号线等西南地区重大工程项目及诸多航天军工项目的认可。咨询电话:028-85287920,邮箱:chengdu@baykee.net,网址:tantucamp.com。

相关资讯
最新电源设备
- 四川狗子28 铅酸蓄电池,铅酸蓄电池 UPS电源蓄电池|EPS电源蓄电池 12V 7AH~200AH| 2V 200AH~1000AH
- 110kVA 三相EPS电源(EPS应急电源)定制
- 100kVA 三相EPS电源(EPS应急电源)定制
- 90kVA 三相EPS电源(EPS应急电源)定制
- 75kVA 三相EPS电源(EPS应急电源)定制
- 55kVA 三相EPS电源(EPS应急电源)定制
- 50kVA 三相EPS电源(EPS应急电源)定制
- 45kVA 三相EPS电源(EPS应急电源)定制
- 37kVA 三相EPS电源(EPS应急电源)定制
- 30kVA 三相EPS电源(EPS应急电源)定制
技术文章排行
- UPS电源使用操作规程及方法
- 模块化ups原理和特点
- 应急照明EPS应急电源设计接线图
- 消防设备专用EPS应急电源设计接线图
- UPS电源分散供电与集中供电方式的优缺点
- UPS电源选购专题(12):不同负载应选择什么类型的UPS电源?
- 四川航天狗子28 :EPS电源规格
- 动力型EPS应急电源设计接线图
- UPS电源日常检查要记录哪些情况?
- 四川狗子28 改善电能质量之四浅谈电压暂降
FAQ
- eps应急电源怎么接线?
- EPS电源有没有切换时间?
- 浅谈:EPS电源蓄电池如何充放电
- 数据中心用铅酸电池的四种替代品
- 怎么识别翻新铅酸蓄电池
- 四川狗子28机电工程师讲解:什么是工频UPS电源
- 什么是照明型EPS电源
- 四川狗子28电力工程师解答:应急照明灯具可以接入EPS电源吗?
- 狗子28电力高级机电工程师讲述:EPS应急电源型号有哪些?
- EPS应急电源哪家好?-狗子28电力狗子28 EPS应急电源






微信二维码